Süperpozisyon ve Maksimum Güç Aktarımı Deneyi

- Blog Yazısı
Deneyin Amacı:
Deneyin amacı, Süperposizyon Teoreminin ve Maksimum Güç Transferi için gerekli koşulların öğrenilmesi ve laboratuvar ortamında test edilerek sonuçlarının analiz edilmesi ve gözlemlenmesidir.
1. Süperpozisyon Teoremi
Birden fazla kaynak içeren bir devre göz önüne alındığında; bu kaynakların devre üzerindeki toplam etkisi her bir kaynağın tek başına meydana getirdiği etkilerin toplamına eşittir. Buna süperpozisyon teoremi denir. Tek bir kaynağın etkisi incelenirken, o kaynağın dışındaki kaynaklar etkisiz hale getirilir. (Akım kaynakları açık devre, gerilim kaynakları ise kısa devre). Tek tek her bir kaynağın etkisi elde edildikten sonra bu etkiler toplanarak tüm kaynakların toplam etkisi elde edilir.
Süperpozisyon yönteminde devre çözerken bazı aşamalar mevcuttur. Bunlar;
- Devrede hem akım hem de gerilim kaynağı aynı anda bulunabilir.
- Devre çözümüne başlandığında devrede sadece bir tane kaynak bırakılır diğer kaynaklar söndürülür. Bu söndürme
- işlemi gerilim kaynaklarında “kısa devre” akım kaynaklarında ise “açık devre” olarak uygulanır. Yani gerilim kaynakları kısa devre edilir akım kaynakları ise açık devre edilir.
- Devre içinde sizden istenilen değer her kaynak için ayrı ayrı bulunur.
- Devrede ne kadar kaynak varsa, devre o kadar aşamada çözülür.
- Son adımda da bulunan değerler kaynak yönleri de dikkate alınarak toplanır
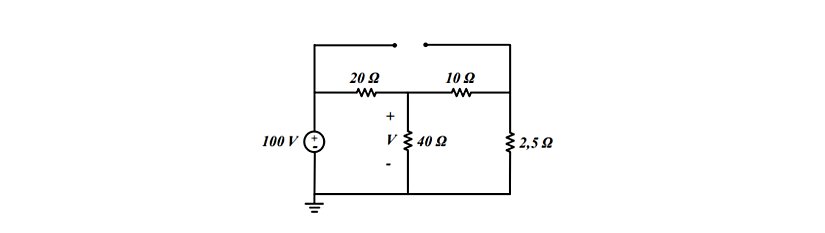
Örnek: Aşağıdaki devrede V gerilimi değerini süperposizyon yöntemi kullanarak bulalım.

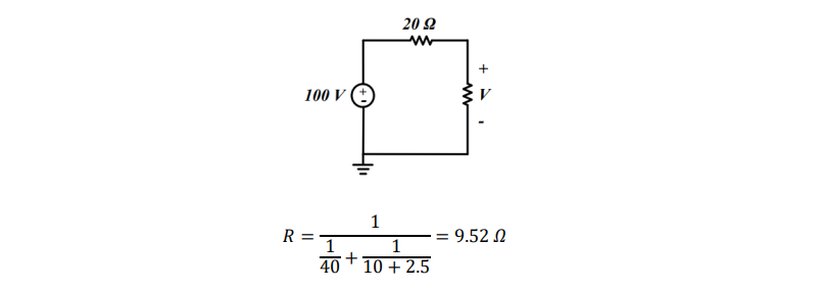
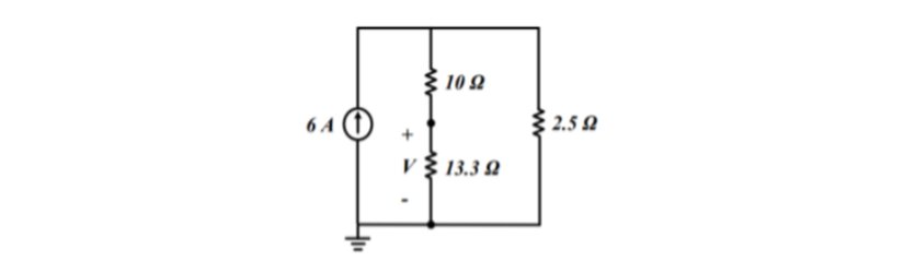
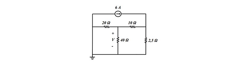
İlk olarak akım kaynağını seçelim. ii.ii. madde uyarınca söndürülen gerilim kaynağı yerine kısa devre kullanacağız. Yani devre şu şekilde görünecektir:

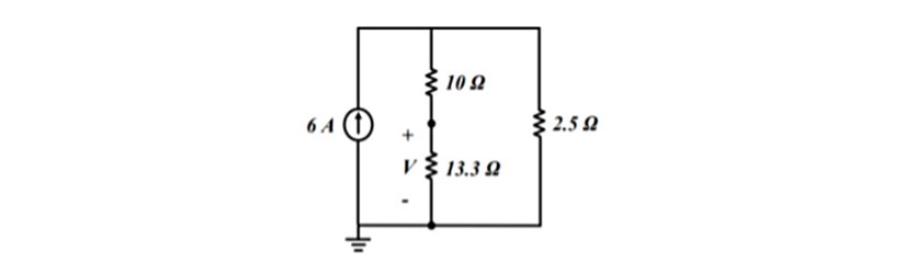
Şekilden de açıkça görülmektedir ki; 20 // 40 , seridir 10, ve tamamı // 2.5 ohm'dur. Böyle olduğu devreyi döndürdüğümüzde daha kolay görülmektedir.

V gerilimini hesaplamak için 13.3 Ω'luk direncin üzerinden geçen akım değerini bulmak gerekir. Akım bölücü kullanarak direnç üzerinden geçen akım değeri;

Dolayısıyla V gerilim değeri;

olarak bulunur.
Şimdi de gerilim kaynağının etkisini bulalım. Yine akım kaynağı açık devre olur ve devre aşağıda şekildeki halini alır

Devreden 10 ve 2.5 ΩΩ’luk dirençlerin seri ve bunların 40 ΩΩ’a seri oldukları kolayca görülmektedir.
Aslında maddi destek istememizin nedeni çok basit: Çünkü Evrim Ağacı, bizim tek mesleğimiz, tek gelir kaynağımız. Birçoklarının aksine bizler, sosyal medyada gördüğünüz makale ve videolarımızı hobi olarak, mesleğimizden arta kalan zamanlarda yapmıyoruz. Dolayısıyla bu işi sürdürebilmek için gelir elde etmemiz gerekiyor.
Bunda elbette ki hiçbir sakınca yok; kimin, ne şartlar altında yayın yapmayı seçtiği büyük oranda bir tercih meselesi. Ne var ki biz, eğer ana mesleklerimizi icra edecek olursak (yani kendi mesleğimiz doğrultusunda bir iş sahibi olursak) Evrim Ağacı'na zaman ayıramayacağımızı, ayakta tutamayacağımızı biliyoruz. Çünkü az sonra detaylarını vereceğimiz üzere, Evrim Ağacı sosyal medyada denk geldiğiniz makale ve videolardan çok daha büyük, kapsamlı ve aşırı zaman alan bir bilim platformu projesi. Bu nedenle bizler, meslek olarak Evrim Ağacı'nı seçtik.
Eğer hem Evrim Ağacı'ndan hayatımızı idame ettirecek, mesleklerimizi bırakmayı en azından kısmen meşrulaştıracak ve mantıklı kılacak kadar bir gelir kaynağı elde edemezsek, mecburen Evrim Ağacı'nı bırakıp, kendi mesleklerimize döneceğiz. Ama bunu istemiyoruz ve bu nedenle didiniyoruz.

V gerilim değerini hesaplamak için gerilim bölücü kullanırsak;

Son olarak bütün kaynakların ( örneğimizde iki adet kaynak olduğundan iki kaynağın ) etkisi toplanarak istenilen gerilim değeri bulunur.

2. Maksimum Güç Transferi
İç dirence sahip herhangi bir kaynaktan bir yüke maksimum güç transferi yapılabilmesi için yük empedansı kaynak iç empedansının kompleks eşleniği olmalıdır. Buna maksimum güç transferi teoremi denir.

Devre ara bağlaşımı yani devrede yer alan ara bağlantılar arasında sinyal gücünün istenilen şekilde kontrol edilebilmesi elektronikte yer alan önemli hususlardan birisidir. Şekildeki devrede RL direnci üzerindeki gerilim;

olarak elde edilir. Sabit bir kaynak ve değişken bir yük göz önüne alınırsa, yük direnci, RS direncine göre ne kadar büyük olursa yük direnci üzerindeki gerilim o derece yüksek olacaktır. İdealde yük direncinin sonsuz değerde olması yani bir açık devrenin yer alması istenir.
Bu durumda;
Vmax=V∞Vmax=V∞
Yük üzerinde oluşan akım ise;

şeklindedir. Yeniden sabit bir kaynak ve değişken bir yük direnci göz önüne alınırsa, yük direnci RS direncine göre ne derece küçük değerlikli olursa burada akacak akım o derece büyük olacaktır. Dolaysıyla maksimum akım akması için yükün bir kısa devre olması istenir. Bu durumda;

olacaktır.
Yük üzerinde oluşacak güç P=V*i olarak ifade edileceğinden elde edilecek güç;

şeklinde ifade edilebilir. Verilen kaynak için RS ve VS değerleri sabit olacağından elde edilebilecek güç sadece yük direncinin değişimine bağlı olarak değişecektir. Gerek maksimum gerilim (RL=∞RL=∞ olmalı) gerekse de maksimum akım (RL=0RL=0 olmalı) üretebilmesi için gerekli şartlar altında edilebilecek güç sıfır olmaktadır. Dolaysıyla yük direncinin bu iki değeri altında gücü maksimum değerine getirebileceği söylenebilir. Bu yük direnci değerinin bulunabilmesi için gücün yük direncine göre türevi alınıp sıfıra eşitlenirse;

ifadesi elde edilir. Dolayısıyla bu eşitlikten de açıkça görüleceği üzere yük direnci RL, kaynağın direnci RS direncine eşit olduğunda türev sıfır olmaktadır. Dolayısıyla maksimum güç RL=RS şartı altında gerçekleşmektedir. Bu durumda;

denkleminde RL yerine RS yazıp gerekli sadeleştirmeyi yaparsak, maksimum gücü;

Olarak bulunur.
UYGULAMA 1
Deneye Gelmeden Önce;
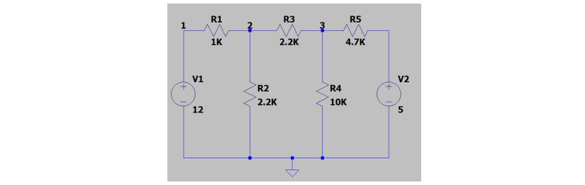
- 1. Şekil 1’de verilen devrede 12 V'luk gerilim kaynağını kısa devre yaparak bütün akım değerlerini ve dirençler üzerindeki gerilim değerlerini bulunuz. Tablo 1’de yerine yazınız.
- 2. Aynı devrede bu kez 5 V'luk gerilim kaynağını kısa devre yaparak bütün akım değerlerini ve dirençler üzerindeki gerilim değerlerini bulunuz. Tablo 1’de yerine yazınız.
- 3. Süperposizyon yöntemi ile tüm akım değerlerini ve dirençler üzerindeki gerilim değerlerini bulunuz. Tablo 1’de yerine yazınız.
Deney Sırasında;
- 1. Laboratuvar ekipmanlarını kullanarak Şekil 1’deki devrede 12 V’luk gerilim kaynağı aktif olacak şekilde devreyi kurunuz ve dijital multimetre ile bütün akım ve gerilim değerlerini ölçünüz. Sonuçları Tablo 2’ye kaydediniz.
- 2. Laboratuvar ekipmanlarını kullanarak Şekil 1’deki devrede 5 V’luk gerilim kaynağı aktif olacak şekilde devreyi kurunuz ve dijital multimetre ile bütün akım ve gerilim değerlerini ölçünüz. Sonuçları Tablo 2’ye kaydediniz.
- 3. Laboratuvar ekipmanlarını kullanarak Şekil 1’deki devrede her iki gerilim kaynağı da aktif olacak şekilde devreyi kurunuz ve dijital multimetre ile bütün akım ve gerilim değerlerini ölçünüz. Sonuçları Tablo 2’ye kaydediniz.

Şekil 1

UYGULAMA 2
- 1. Şekil 2’deki devreyi 1k’lık potansiyometre 𝑅L ’ye bağlanacak şekilde ve 𝑅 =330Ω olacak şekilde kurunuz.
- 2. Yük direncini tablo 2’deki değerlere ayarlayarak gerilim değerlerini ölçünüz.
- 3. Devrede yükte harcanan gücü, toplam gücü ve verim değerlerini tablo 2’de doldurarak yük için güç-direnç grafiğini çiziniz

Şekil 2 (VS=5VVS=5V, RS=330RS=330 𝛺RL=1K RL=1K 𝛺)

Grafik:
SONUÇ
1. Süperpozisyon teoremi ne tür devrelere uygulanabilir? Niçin?
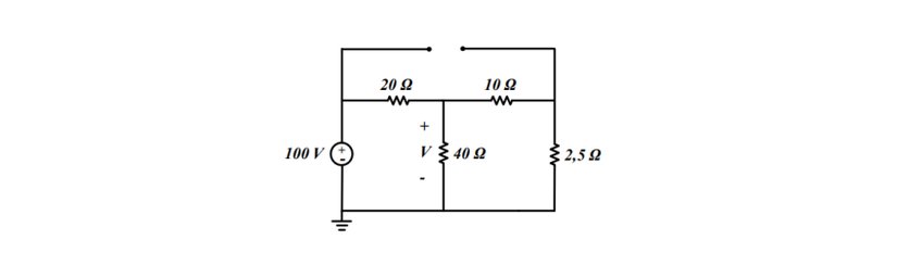
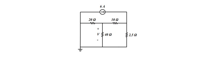
2. Aşağıda verilen devrede R3 elemanı üzerindeki gerilim düşümünü süperpozisyon teoreminden yararlanarak
bulunuz. Sonuçlarınızı LTspice programında devreyi çizerek kontrol ediniz ve doğruluğunu gösteriniz.

(V1=100V, I1=6A, R1=20 Ω, R2=10 Ω, R3=40 Ω,R4=2.5 Ω)
3. Aşağıdaki şekilde verilen devrede maksimum güç transferi için RL direncinin değerini ve bu yüke iletilecek maksimum gücü bulunuz.

(V1=3V, I1=2mA, R1=4KΩ, R2=6KΩ, R3=3Ω)
- 1
- 0
- 0
- 0
- 0
- 0
- 0
- 0
- 0
- 0
- 0
- 0
Evrim Ağacı'na her ay sadece 1 kahve ısmarlayarak destek olmak ister misiniz?
Şu iki siteden birini kullanarak şimdi destek olabilirsiniz:
kreosus.com/evrimagaci | patreon.com/evrimagaci
Çıktı Bilgisi: Bu sayfa, Evrim Ağacı yazdırma aracı kullanılarak 17/10/2025 10:05:42 tarihinde oluşturulmuştur. Evrim Ağacı'ndaki içeriklerin tamamı, birden fazla editör tarafından, durmaksızın elden geçirilmekte, güncellenmekte ve geliştirilmektedir. Dolayısıyla bu çıktının alındığı tarihten sonra yapılan güncellemeleri görmek ve bu içeriğin en güncel halini okumak için lütfen şu adrese gidiniz: https://evrimagaci.org/s/17150
İçerik Kullanım İzinleri: Evrim Ağacı'ndaki yazılı içerikler orijinallerine hiçbir şekilde dokunulmadığı müddetçe izin alınmaksızın paylaşılabilir, kopyalanabilir, yapıştırılabilir, çoğaltılabilir, basılabilir, dağıtılabilir, yayılabilir, alıntılanabilir. Ancak bu içeriklerin hiçbiri izin alınmaksızın değiştirilemez ve değiştirilmiş halleri Evrim Ağacı'na aitmiş gibi sunulamaz. Benzer şekilde, içeriklerin hiçbiri, söz konusu içeriğin açıkça belirtilmiş yazarlarından ve Evrim Ağacı'ndan başkasına aitmiş gibi sunulamaz. Bu sayfa izin alınmaksızın düzenlenemez, Evrim Ağacı logosu, yazar/editör bilgileri ve içeriğin diğer kısımları izin alınmaksızın değiştirilemez veya kaldırılamaz.