Amniyotların Evrimsel Kökenine Yönelik Yeni Bilgiler Sunan Kafatası Analizi
- İçerik Açıklaması
- Paleontoloji
:sharpen(0.5,0.5,true)/evrimagaci.org%2Fpublic%2Fuploads%2Fimages%2FEvrim%2520Agaci%2520Cevirileri%2F93_140721123739-largejpg.jpg)
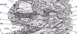
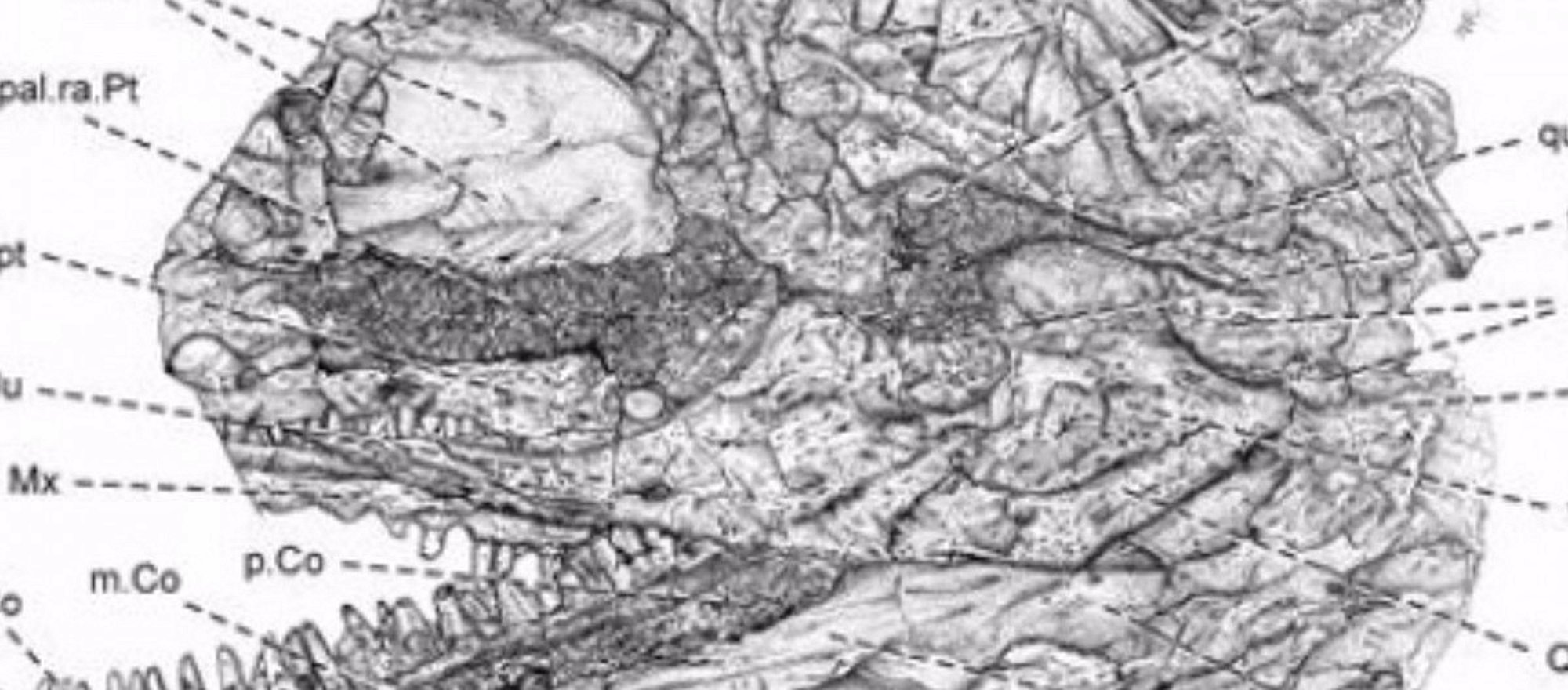
ABD'nin Doğa Tarihi Müzesi'nden bilim insanları ile Lincoln, Cambridge ve Slovakya'dan akademisyenler bir araya gelerek 308 milyon yaşındaki kertenkele-benzeri omurgalının kafatasını yeniden yarattılar. Bu omurgalı, sürüngenlerin en eski örneği olabilir ve günümüzde sürüngen, kuş veya memeli olan canlıların tamamının kökenini açıklayabilir.
Birleşik Krallık'taki Lincoln Üniversitesi Yaşam Bilimleri Bölümü'nden Dr. Marcello Ruta, Journal of Vertebrate Palentology dergisinde yayımlanan makalenin yazarlarından birisidir ve Gephyrostegus olarak bilinen türün kafatası yapısına dair detaylı el çizimlerine sahiptir.
Paleontologlar, uzun süredir soyu tükenmiş olan bu cinse ait yeni kafatası rekonstrüksiyonları ürettiler. Cinse ait daha önceden tanımlanamamış fosiller Çek Cumhuriyeti'ndeki kömür madenlerinden çıkarılmıştı. Geç Karbonifer'den çıkarılan Gephyrostegus bohemicus türünün kafatasının yapısal özelliklerini akademisyen ekibi yeniden inceledi. Bu tür, genellikle kertenkele benzeri bir yapıya sahip olan, 308 milyon yıl önce yaşamış küçük bir hayvandır. Bu erken dörtüyeli (tetrapod), bir sürüngene ait en eski örnek olabilir ve amniyotlar olarak da bilinen, tüm sürüngenleri, kuşları ve memelileri kapsayan omurgalı hayvanlar grubunun kökenini açıklayabilir.
Slovakya'nın Bratislava kentindeki Comenius Üniversitesi'nden, Cambridge Zooloji Müzesi'nden, Londra Doğa Tarihi Müzesi'nden ve Birleşik Krallık'taki Lincoln Üniversitesi'nden uzmanlar, daha önceki çalışmalarda incelenemeyen ek örneklerinde de incelemelerini yapmayı başardılar. Hedefleri, Gephyrostegus cinsine yönelik yeni gözlemler ile erken tetrapodların ilişkilerini birleştirerek yeni bir analiz yapabilmektir. Bir grup erken tetrapod grubundan alınan örneklerdeki iskelet özelliklerini kullanan analizleri sayesinde Gephyrostegus cinsinin olası akrabalıklarını tespit etmeye çalıştılar. Dr. Ruta çalışmalarını şöyle izah ediyor:
"Gephyrostegus her zaman bulunması zor bir canavar olmuştur. Bugüne kadar birçok araştırmacı, bu canlının yüzeysel sürüngen-benzeri özelliklerinin bizlere amniyotların soyları hakkında bilgi verebileceği olasılığı üzerinde durdu. Ancak Gephyrostegus aynı zamanda bunun kökenini daha da problemli kılan bazı iskelet özellikleri de göstermektedir. Bizse, çok fazla sayıda erken tetrapod verisini bir araya getiren bir araştırma yaptık. Araştırmamız, Gephyrostegus cinsinin Avrasyatik ve Kuzey Amerikalı tetrapodlar olan seymouriamorflar ile yakın akraba olduğunu gösteriyor. Bu canlılar da, amniyot soy tarihi ile ilgili tartışmalarda yer almışlardır. Gephyrostegus cinsinde bulduğumuz bazı yeni kafatası özellikleri sayesinde bu akrabalık ilişkisini kurabildik. Fosil örneklerine mikroskop altında uzun bir süre bakmak ve anatomilerinden anlam çıkarmaya çalışmak oldukça yorucu ve sinir bozucu olabiliyor; ancak her zaman, fazlasıyla ödüllendirici bir çabadır."
Görsel: University of Lincoln
Kaynak: Bu yazı Mehmet Arif Sökmen tarafından ScienceDaily sitesinden çevrilmiştir. İçeriğin dayandığı makaleye Taylor&Francis Online sitesinden ulaşılabilir.
Evrim Ağacı'nda tek bir hedefimiz var: Bilimsel gerçekleri en doğru, tarafsız ve kolay anlaşılır şekilde Türkiye'ye ulaştırmak. Ancak tahmin edebileceğiniz gibi Türkiye'de bilim anlatmak hiç kolay bir iş değil; hele ki bir yandan ekonomik bir hayatta kalma mücadelesi verirken...
O nedenle sizin desteklerinize ihtiyacımız var. Eğer yazılarımızı okuyanların %1'i bize bütçesinin elverdiği kadar destek olmayı seçseydi, bir daha tek bir reklam göstermeden Evrim Ağacı'nın bütün bilim iletişimi faaliyetlerini sürdürebilirdik. Bir düşünün: sadece %1'i...
O %1'i inşa etmemize yardım eder misiniz? Evrim Ağacı Premium üyesi olarak, ekibimizin size ve Türkiye'ye bilimi daha etkili ve profesyonel bir şekilde ulaştırmamızı mümkün kılmış olacaksınız. Ayrıca size olan minnetimizin bir ifadesi olarak, çok sayıda ayrıcalığa erişim sağlayacaksınız.
Makalelerimizin bilimsel gerçekleri doğru bir şekilde yansıtması için en üst düzey çabayı gösteriyoruz. Gözünüze doğru gelmeyen bir şey varsa, mümkünse güvenilir kaynaklarınızla birlikte bize ulaşın!
Bu makalemizle ilgili merak ettiğin bir şey mi var? Buraya tıklayarak sorabilirsin.
Soru & Cevap Platformuna Git- 0
- 0
- 0
- 0
- 0
- 0
- 0
- 0
- 0
- 0
- 0
- 0
Evrim Ağacı'na her ay sadece 1 kahve ısmarlayarak destek olmak ister misiniz?
Şu iki siteden birini kullanarak şimdi destek olabilirsiniz:
kreosus.com/evrimagaci | patreon.com/evrimagaci
Çıktı Bilgisi: Bu sayfa, Evrim Ağacı yazdırma aracı kullanılarak 08/02/2026 22:20:47 tarihinde oluşturulmuştur. Evrim Ağacı'ndaki içeriklerin tamamı, birden fazla editör tarafından, durmaksızın elden geçirilmekte, güncellenmekte ve geliştirilmektedir. Dolayısıyla bu çıktının alındığı tarihten sonra yapılan güncellemeleri görmek ve bu içeriğin en güncel halini okumak için lütfen şu adrese gidiniz: https://evrimagaci.org/s/2503
İçerik Kullanım İzinleri: Evrim Ağacı'ndaki yazılı içerikler orijinallerine hiçbir şekilde dokunulmadığı müddetçe izin alınmaksızın paylaşılabilir, kopyalanabilir, yapıştırılabilir, çoğaltılabilir, basılabilir, dağıtılabilir, yayılabilir, alıntılanabilir. Ancak bu içeriklerin hiçbiri izin alınmaksızın değiştirilemez ve değiştirilmiş halleri Evrim Ağacı'na aitmiş gibi sunulamaz. Benzer şekilde, içeriklerin hiçbiri, söz konusu içeriğin açıkça belirtilmiş yazarlarından ve Evrim Ağacı'ndan başkasına aitmiş gibi sunulamaz. Bu sayfa izin alınmaksızın düzenlenemez, Evrim Ağacı logosu, yazar/editör bilgileri ve içeriğin diğer kısımları izin alınmaksızın değiştirilemez veya kaldırılamaz.